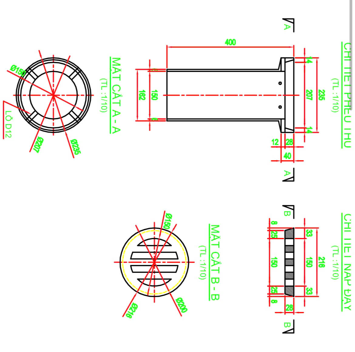
Ống gang thoát nước D162/150mm, L=400mm
NSX: Việt Hùng
Thương Hiệu: Gang Đúc Việt Hùng
Ống gang thoát nước D162/150, L= 400mm và tấm lưới chắn rác được Việt Hùng sản xuất theo (yêu cầu bản vẽ) và cung cấp cho Gói thầu Thi công xây dựng bờ phải từ Km0+00 đến Km0+880 thuộc hạ tầng hồ chứa nước ngọt bờ sông Láng Thé đảm bảo an ninh nguồn nước các huyện Càng Long, Châu Thành & TP Trà Vinh (giai đoạn 1))
Sản phẩm Ống gang thoát nước, ống gang đúc, phễu thoát nước bằng gang được cung cấp tại xưởng sản xuất gang đúc Việt Hùng, địa chỉ:
- Đường số 9 KCN Hoà Khánh, Liên Chiểu, Đà Nẵng
- Đường số 2, KCN Thanh Vinh, Hoà Vang, Đà Nẵng
Liên hệ: 0989270115 để nhận báo giá từ nhà sản xuất.


| Chất liệu | Gang cầu, gang xám |
| Loại khung | Ống gang thoát nước và tấm chắn rác |
| Thiết kế | Miễn phí |
| Bảo hành | 12 tháng |
| Phạm vi giao hàng | Toàn quốc |












